Photos non contractuelles


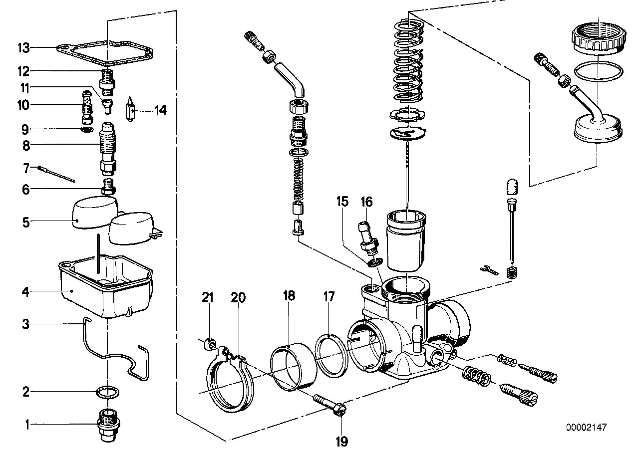
Cette pièce contribue au maintien de la fiabilité mécanique et du bon fonctionnement de votre BMW R80. Son remplacement permet d’éviter jeux excessifs, vibrations ou usures prématurées.
Notre expérience en atelier spécialisé BMW nous permet de proposer des composants adaptés aux exigences techniques de ces modèles.
Info montage : Voir les modèles compatibles
Important : Vérifiez votre référence avant commande via la base constructeur BMW REALOEM à l’aide du numéro de série (VIN) de votre moto.
Référence BMW : 13111254765
Compatible avec 263 motos BMW